
分光光度計就是利用分光光度法對物質進行定量定性分析的儀器。由于核酸,蛋白定量以及細菌生長濃度的定量樣本量很小,于是超微量分光光度計應運而生。超微量分光光度計近年來已經替換普通的分光光度計成為分子生物學實驗室的新寵,廣泛應用于生命科學實驗室蛋白質組學和基因組學等領域。
1
超微量分光光度計與傳統分光光度計相比,前者具備的獨特優點在于:
(1)所需樣品體積小,僅需0.5—2μl;
(2)不需要比色皿,用移液槍直接將樣品滴加到檢測平臺上,測量時樣品自動形成液柱,檢測完成后只需用干凈的吸水紙將樣品從檢測平臺上擦拭干凈即可,避免了因為比色皿清洗不凈帶來的交叉污染;
(3)一般具有多個光程(電機控制自動選擇)【BIO-DL MicroDrop基座模式下光程1.0 mm、0.2 mm、0.1 mm 和 0.05 mm自動調整】,而傳統分光光度計的光程為10 mm,超微量分光光度計樣品無需稀釋,測量范圍可達到常規分光光度計的50倍【BIO-DL MicroDrop基座模式下dsDNA檢測范圍:2~15000ng/μl】;
(4)氙氣閃光燈為燈源,代替了氘燈(紫外)和鎢燈(可見),使用壽命更長;
(5)不需要預熱,可隨時檢測,檢測時間短【BIO-DL MicroDrop<5秒】;
(6)顯示吸光度值的同時,程序直接給出濃度值(核酸、蛋白和熒光染料);
(7)占據實驗室空間體積比傳統分光光度計小很多【BIO-DL MicroDrop重量:2.1kg】。

2
超微量分光光度計不僅涵蓋了可見光分光光度計的功能而且也可以進行紫外分光光度計的應用,更常用以下幾方面:
核酸的定量
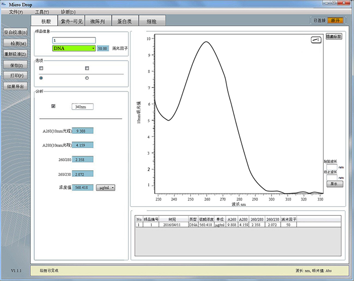
核酸的定量是超微量分光光度計使用頻率更高的功能。可以定量溶于緩沖液的寡核苷酸,單鏈DNA、雙鏈DNA,以及RNA。核酸的更高吸收峰的吸收波長260nm。每種核酸的分子構成不一,因此其換算系數不同。定量不同類型的核酸,事先要選擇對應消光因子。如:1OD的吸光值分別相當于50μg/ml的dsDNA,37μg/ml的ssDNA,40μg/ml的RNA,30μg/ml的Olig。測試后的吸光值經過上述系數的換算,從而得出相應的樣品濃度。除了核酸濃度,分光光度計顯示幾個非常重要的比值表示樣品的純度,如A260/A280的比值,用于評估樣品的純度,因為蛋白的吸收峰是280nm。純凈的樣品,比值大于1.8(DNA)或者2.0(RNA)。如果比值低于1.8或者2.0,表示存在蛋白質或者酚類物質的影響。A230表示樣品中存在一些污染物,如碳水化合物,多肽,苯酚等,較純凈的核酸A260/A230的比值大于2.0。
UV-VIS常規可見-紫外檢測
全波長超微量分光光度計可以像普通的紫外-可見分光光度計一樣行使功能。如BIO-DL MicroDrop可以顯示從185到910nm的光波下樣品的吸光值。更多可以同時指定檢測40個波長下的吸光值并把數據顯示在報告中。
蛋白質的直接定量(UV法)
這種方法是在280nm波長,直接測試蛋白。蛋白質測定過程非常簡單,先測試空白液,然后直接測試蛋白質。蛋白質直接定量方法,適合測試較純凈、成分相對單一的蛋白質。紫外直接定量法相對于比色法來說,速度快,操作簡單;但是容易受到平行物質的干擾,如DNA的干擾;另外敏感度低,要求蛋白的濃度較高。
比色法蛋白質定量
蛋白質通常是多種蛋白質的化合物,比色法測定的基礎是蛋白質構成成分:氨基酸(如酪氨酸,絲氨酸)與外加的顯色基團或者染料反應,產生有色物質。有色物質的濃度與蛋白質反應的氨基酸數目直接相關,從而反應蛋白質濃度。

比色方法一般有BCA,Bradford,Lowry等幾種方法。
Lowry法:以更早期的Biuret反應為基礎,并有所改進。蛋白質與Cu2+反應,產生藍色的反應物。但是與Biuret相比,Lowry法敏感性更高。缺點是需要順序加入幾種不同的反應試劑;反應需要的時間較長;容易受到非蛋白物質的影響;含EDTA,Tritonx-100,ammoniasulfate等物質的蛋白不適合此種方法。
BCA(Bicinchoninineacidassay)法:這是一種較新的、更敏感的蛋白測試法。要分析的蛋白在堿性溶液里與Cu2+反應產生Cu+,后者與BCA形成螯合物,形成紫色化合物,吸收峰在562nm波長。此化合物與蛋白濃度的線性關系更強,反應后形成的化合物非常穩定。相對于Lowry法,操作簡單,敏感度高。但是與Lowry法相似的是容易受到蛋白質之間以及去污劑的干擾。
Bradford法:這種方法的原理是蛋白質與考馬斯亮蘭結合反應,產生的有色化合物吸收峰595nm。其更大的特點是,敏感度好,是Lowry和BCA兩種測試方法的2倍;操作更簡單,速度更快;只需要一種反應試劑;化合物可以穩定1小時,方便結果;而且與一系列干擾Lowry,BCA反應的還原劑(如DTT,巰基乙醇)相容。但是對于去污劑依然是敏感的。更主要的缺點是不同的標準品會導致同一樣品的結果差異較大,無可比性。
細菌細胞密度(OD600)
實驗室確定細菌生長密度和生長期,多根據經驗和目測推斷細菌的生長密度。在遇到要求較高的實驗,需要采用分光光度計準確測定細菌細胞密度。OD600是追蹤液體培養物中微生物生長的標準方法。

3
超微量分光光度計使用時注意小貼士:
(1)測量前將樣品中度混勻(可采用震蕩器或用手指彈震管底)
(2)移液器吸頭插入液面下吸取樣品,可避免吸入氣泡;TIP頭貼著下光纖表面打出樣品,且只按到移液器第一擋盡頭,第二擋不要按,可以避免吹出氣泡到樣品中。
(3)每次測量完畢后,用蒸餾水清潔上下光纖端面,這樣可以更好地保證下一次測量的準確性(主要針對超高濃度樣品,一般樣品無此要求)。
(4)每次做空白檢測前一定要先用水清潔上下光纖表面,可保證空白檢測準確。
(5)每次測量的核酸樣品量建議為1-2微升,蛋白樣品建議2微升。 過少可能無法形成水柱,過多可能溢出。
(6)加樣后盡快測量,以防蒸發濃縮以及灰塵落入,已加樣品不能多次檢測,如需重測需重新滴加同一樣品。
(7)儀器避免陽光直射,避免強風吹拂,以避免蒸發。
(8)連續測量一段時間后擦凈樣品,用水清潔上下光纖表面,然后用水或緩沖液進行重新空白后再檢測。
(9)清潔光纖端面(上樣基座)時必須用潔凈質軟的實驗室用紙(擦鏡紙等)進行輕輕擦拭。
(10)儀器不用時,將上臂放下,可以防止灰塵。
4
※ 超微量分光光度計新晉小生——MicroDrop簡介
一機多用:既可使用超微量基座(下圖上),也可使用常規比色皿(下圖下),想怎么測就怎么測!
開機即用:交貨后即可使用 – 安裝時不需要進行任何調節。只需開啟電源就能進行測量!
上樣量少:上樣范圍0.5μl-2μl,節約珍貴的樣本。再也不用擔心樣品不夠用啦!
無線連接:無需數據線連接電腦,從此告別雜亂的數據連接線,儀器可自發WiFi信號。
全光譜范圍:可檢測185-910nm波長下樣本的吸光值,檢測范圍廣,基座模式下因為縮短了光程,檢測濃度范圍非常廣闊,dsDNA:2-15000ng/ul,無需稀釋樣品,簡化實驗流程,減少實驗誤差,能夠滿足更大部分用戶的需求。
檢測快速:全波長掃描時間(185—910nm)只需5s,每個樣品所需要的時間不到5秒鐘,快速的檢測速度為大量的樣品檢測節省了寶貴時間。
美觀簡約:自重2.1kg,便于移動,占地面積小,選配平板無線連接,平板可隨測隨取,節省實驗臺面空間。
數據存儲:可自定義選擇數據存儲,不僅能夠自動保存檢測原始數據,也可導出Excel數據表,方便計算后續實驗的加樣量。

